電話:021-62522001
作者:黑金剛電容 發布時間:2020-08-06 14:41:11 訪問量:8379 來源:NIPPON CHEMI-CON
黑金剛電容超級電容器 DXE系列
● 最適合用于電力儲存·電池輔助·短時間備用等。
● 還最適合于車載用途(能源再生、峰值功率輔助)。
● 垂直、水平安裝均可
◆規格表

◆產品一覽表
● DXE系列

*1 參考值
*2 本品中記載的能源存儲容量(Wh)是根據“電氣及電子機器用雙電層電容器的運輸相關指南(JEITA)”計算得出。
*3 可水平安裝產品
◆產品型號體系

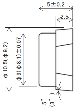
◆尺寸圖 [mm]



端子詳細尺寸


( )為垂直、水平安裝均可產品的尺寸
<端子螺絲規格>
十字六角長螺絲:M5×0.8×10
螺絲緊固最大容許扭矩:3.23Nm
◆容量和內部電阻的溫度特性


◆70℃高溫負荷試驗


上海櫻拓貿易有限公司是一家主要從事電子元器件代理銷售和技術支持的專業公司,其中是日本NIPPON CHEMI-CON(NCC電容|黑金剛電容)中國區總代理。
相關資訊推薦:
聲明:本文由櫻拓貿易收集整理關于 黑金剛電容相關的《[黑金剛電容]超級電容器 DXE系列》,如轉載請保留鏈接:http://www.istitutomarangoni.org.cn/news_in/589。
上一篇:貼片型鋁電解電容器 MZJ系列
下一篇:介紹黑金鋼電解電容的特點和用處